موتور گیربکس هلیکال شافت ۲۰ SEW مدل RXF57
برای دریافت مشاوره و قیمت تماس بگیرید (۰۹۱۲۲۹۴۵۱۴۱)
موتور گیربکس هلیکال شافت ۲۰ SEW مدل RXF57 برای دورهای خروجی بالا و محیطهای دارای محدودیت فضا طراحی شده است. این گیربکس فلنچدار RXF57 به صورت عمودی از طریق فلنجی که در قسمت جلوی گیربکس طراحی شده بر روی دستگاه مورد نظر نصب میگردد.
امکان دریافت قیمت، مشاوره و خرید این گیربکس شافت مستقیم RXF57 و انواع گیربکس جرثقیل را فقط با یک تماس با ما دارید.
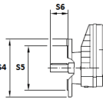
ابعاد موتور گیربکس هلیکال شافت ۲۰ SEW مدل RXF57:
- S1: 174mm
- S2: 139mm
- S3: 162mm
- S4: 200mm
- S5: 130mm
- S6: 40mm
- S7: 165mm
نقد و بررسیها
هنوز بررسیای ثبت نشده است.